Home » Without Label » How To Measure Cabinets : Custom Kitchen Cabinets Blog How To Measure Your Space For New Cabinets C And J Wood Design / Start by measuring the depth of your cabinet.
How To Measure Cabinets : Custom Kitchen Cabinets Blog How To Measure Your Space For New Cabinets C And J Wood Design / Start by measuring the depth of your cabinet.
How To Measure Cabinets : Custom Kitchen Cabinets Blog How To Measure Your Space For New Cabinets C And J Wood Design / Start by measuring the depth of your cabinet.. Just a homeowner here, ordered a couple cabinets based on recommendation of our designer. The homeowner should measure the height, width, and depth to get an idea of what the current cabinets are and if that size will work for the kitchen renovation. (be sure to measure accurately, if not accurate the cabinets you get may not fit correctly.) take the tape measure to get the distance from the floor to the ceiling at each corner and the middle of each wall and make note of that on the sheet. Measure to the closest 1/16 of an inch for both width and height for doors made in just the right size. Jaffa group design build whether you measure the entire length of your walls or just the span of your cabinets will depend on what you're planning to change.
Need to measure your kitchen for new cabinets? Check by inspecting the edge of the door, particularly from above if you are able to. (be sure to measure accurately, if not accurate the cabinets you get may not fit correctly.) take the tape measure to get the distance from the floor to the ceiling at each corner and the middle of each wall and make note of that on the sheet. Simply jot down your current cabinet measurements. Cabinets were confusing to put together, and the absolute minimum of directions came with.
Guide To Kitchen Cabinet Sizes And Dimensions from i.shgcdn.com Indicate where there are walls in the space (if possible). It is best to do your measurement along the wall itself. Measure the lip if you have a partial inset door. Next, using your measuring tape the same way, measure the width at the top of the opening. Measure the countertop length from wall to wall (in inches). Measuring your space can be done with one person, but we recommend asking a friend to help with the measuring process to allow for the most accurate measurements. Simply jot down your current cabinet measurements. Then, use a ruler to measure from the edge of the door to the inner edge of the cabinet.
It is best to do your measurement along the wall itself.
We recommend measuring at least twice for accuracy as our doors are custom made to the specific. Measure to the closest 1/16 of an inch for both width and height for doors made in just the right size. Instructions step 1 mark the depth of the cabinet bases on the floor. Make cabinets as wide as you like, but remember that the wider the doors, the greater the tendency to rack and warp. The homeowner should measure the height, width, and depth to get an idea of what the current cabinets are and if that size will work for the kitchen renovation. Simply jot down your current cabinet measurements. To measure cabinet doors for the kitchen, bath or any room, you need a good tape measure and something to take notes on. Start by measuring the depth of your cabinet. Just a homeowner here, ordered a couple cabinets based on recommendation of our designer. Start at one end and measure to the end of the space that you have in a straight line. If there is a window, measure how far the edge of the window or window casing is to the corner, as well as the total length and height of the window. You will also want to find one with a locking mechanism, so it stays taut while you measure. If you're simply replacing your cabinets, you don't need to measure the length of entire walls.
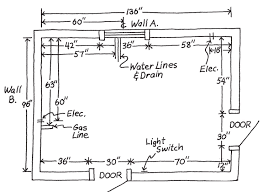
Measure the depth of the countertops from the wall.*standard countertop depth is 26 inches (overhang of cabinets). Take these measurements for all the walls, which will have base cabinets. If there is a window, measure how far the edge of the window or window casing is to the corner, as well as the total length and height of the window. Do this for both the width and height for each door. Measure the position of the center of each outlet or plumbing line from left side of each wall.
How To Measure Kitchen Cabinets 11 Steps With Pictures from www.wikihow.com Make cabinets as wide as you like, but remember that the wider the doors, the greater the tendency to rack and warp. You will also want to find one with a locking mechanism, so it stays taut while you measure. Measure the front of your cabinets from the floor to the top of the counter or, for wall cabinets, the top of the cabinet to the bottom. Simply jot down your current cabinet measurements. Below are some of the most common distances: Cabinets.com explains what materials you will need and how to create your floor plan, as well as measuring cei. The sink cabinet measurements are going to determine exactly what size sink you can install. Find the total height and depth of each cabinet.
Base cabinets are normally 36 inches high.
The homeowner should measure the height, width, and depth to get an idea of what the current cabinets are and if that size will work for the kitchen renovation. You will start by measuring the length of the wall where the cabinets will go. A short how to video explaining how to measure your existing cabinets, to aid frugal kitchens designers in creating your new kitchen. If you're simply replacing your cabinets, you don't need to measure the length of entire walls. If there is a window, measure how far the edge of the window or window casing is to the corner, as well as the total length and height of the window. Write down the length in the appropriate space on your drawing. (be sure to measure accurately, if not accurate the cabinets you get may not fit correctly.) take the tape measure to get the distance from the floor to the ceiling at each corner and the middle of each wall and make note of that on the sheet. Measuring your cabinets with your tape measure you want to measure on the inside of the frame. When it comes to preparation, you'll need a few different tools. You will also want to find one with a locking mechanism, so it stays taut while you measure. Mark a symbol for the outlets or plumbing line and mention its distance from the left wall on the drawing. The upper cabinets should be measured for their length, width, and depth. The illustrations above show a face frame cabinet.
Base cabinets are normally 36 inches high. Indicate where there are walls in the space (if possible). Make cabinets as wide as you like, but remember that the wider the doors, the greater the tendency to rack and warp. Measure the lip if you have a partial inset door. For height, use a level to find the highest spot on the floor and mark the cabinet height at this spot.
How To Measure Cabinet Dimensions For Storage Solutions Locksonline Com from www.locksonline.com Measure the lip if you have a partial inset door. Place your measuring tape or ruler on the bottom of the space and write down the measurement. To gather these measurements, run your measuring tape from right to left to record the width of the cabinet. Prepare to measure your kitchen cabinets. The sink cabinet measurements are going to determine exactly what size sink you can install. You will start by measuring the length of the wall where the cabinets will go. Proper measurements and space planning help provide ease in the ordering, installation, and functionality of your ready to assemble kitchen cabinets. Check by inspecting the edge of the door, particularly from above if you are able to.
Prepare to measure your kitchen cabinets.
Base cabinets are normally 36 inches high. An 18 base cabinet indicates the overall size of the cabinet but, when measuring for pullouts and organizers, your true dimensions are your internal cabinet dimensions and the opening space. Use a tape measure to measure the following dimensions on the outside of your cabinets: (be sure to measure accurately, if not accurate the cabinets you get may not fit correctly.) take the tape measure to get the distance from the floor to the ceiling at each corner and the middle of each wall and make note of that on the sheet. Place your tape measure along the bottom of the cabinet and measure from the back to the front edge. Using a tape measure, determine the height of each cabinet from base to tip and the depth of each cabinet from front to rear. To maximize efficiency, the sum of the three distances should be no more than 26 feet. Start by measuring the depth of your cabinet. Note down on your paper anything else that may interfere with cabinets. For height, use a level to find the highest spot on the floor and mark the cabinet height at this spot. A short how to video explaining how to measure your existing cabinets, to aid frugal kitchens designers in creating your new kitchen. The illustrations above show a face frame cabinet. Measuring your existing kitchen cabinets for the dimensions of your new cabinets won't provide the available space you have for a new cabinet layout.